by Guido Socher (homepage)
About the author:
Guido loves Linux not only because it is fun to discover the
great possibilities of this systems but also because of the people
involved in its design.
Content:
|
A LCD control panel for your Linux server
Abstract:
In this article we will design a LCD control panel based on a
Hitachi HD44780 LCD display and the AT90S4433 AVR 8-Bit RISC
Microcontroller from Atmel. Both components very common and not
expensive. The control panel includes a watchdog to supervise the
computer and has two buttons to allow for a dialog with the user.
You can set IP address, netmask, gateway address, shutdown the
computer, readout statistics, basically anything you want because
most of the logic is implemented with a perl script and it can be
changed easily. The panel is connected to your computer via RS232
serial line.
For this article you need at least a partial installation of the
Linux AVR development environment. How to set it up is described in
this article: Programming
the AVR Microcontroller with GCC.
_________________ _________________ _________________
|
Introduction
This device basically combines functionality of hardware already
used in previous articles:
Our new design goes much further than that. It adds buttons
for user interaction and includes a hardware watchdog to supervise
the server. In addition to that the hardware provides for one analog
input line. We don't use it here but you could connect a
temperature sensor to it, for example.
To design this you will need some electronic hobby skills. The
parts we use are inexpensive and cost all together less than
40 Euro.
The idea behind this panel is that it should allow you to control a
server without monitor or keyboard. Linux is a very reliable server
operating system and can easily be controlled remotely. However
when you connect it to a network the first time you need to set the IP
address, gateway and netmask. This panel allows you to set these
addresses. It also gives you the ability to shutdown the
server while you are still in the server room.
The design of this panel is very generic. All the "server specific"
parts are implemented in a perl script. The entire hardware, the
state of the buttons, text on the display, LEDs..., can be
controlled via ASCII commands. You can therefore use the design to
build an mp3 player or control your toaster, what ever you want.
What you need
To build this you need the following parts:
1 x Atmel At90S4433 Microcontroller
1 x 28pin 7.25 mm IC socket
1 x 16pin IC socket
1 x MAX232
1 x small 5V relay
1 x 4MHz crystal
2 x LEDs (green and red)
1 x BC547 NPN transistor
1 x BC557 PNP transistor
4 x 1uF capacitor (common or biased)
2 x 27pF ceramic capacitor
1 x 10nF capacitor
1 x 100nF capacitor
3 x resistor 4k7
2 x resistor 2k2
1 x resistor 10K
1 x resistor 3k3
2 x resistor 100 Ohm
3 x resistor 470 Ohm
3 x resistor 1k
1 x resistor 220 Ohm
1 x 4K7 potentiometer (as small as possible)
1 x Z-diode 4.3V
2 x small touch buttons
1 x small standard diode (e.g 1N4148, any cheap diode)
1 x 2 line 20 character LCD display with HD44780 compatible
interface.
All LCD displays that I have ever seen with 14 or 16 pins on the
connector were HD44780 compatible. You can also use a 3 or 4
line display but then you will need to modify the software a
bit.
In addition to that you need some wires and connectors for power
and RS232. If you have a 2 line display then you can mount it onto
a thin aluminum metal sheet and fit it into a 5.25" bay on your
server.
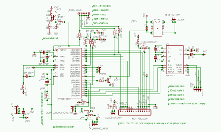
Schematic and board
I used eagle for Linux to design the schematic and board. It's an
excellent software but you will need some time to learn how to use
it. You can get a free version for private use at cadsoftusa.com.
The schematic (click on it for a bigger picture):
The board (click on it for a bigger picture):
The board layout with white background for better printing:
board with white background (Note: This is not the file you need
to make the printed circuit board.)
The eagle files (compressed with gzip, note some smart browsers
uncompress already during download):
The circuit
I will quickly explain the above circuit diagram. The AT90S4433 has
3 ports: PB, PC and PD. PC can be used as analog or digital input
port. All ports can be used as digital input and output lines. This
is controlled from the software via the DDR (Data direction
register). We use all pins except 23 for digital lines (0 or 5 V).
The Max232 is a voltage level converter. The RS232 interface uses
+-10V and the Max232 converts this to 0-5V. On pin 1 (reset pin) of
the AT90S4433 you find something called Brownout circuit. This
circuit keeps the reset low (active) during times of insufficient
power supply to prevent the CPU from executing wrong instructions
or general malfunction. This can happen for a few milliseconds
during power-up or power-down. It ensures basically that the program
on the Microcontroller is started correctly.
Some of you might wonder why there is a diode in parallel to
the coil of the relay and the polarity such that looks like it will
never have anything to do. This diode is very important! When you switch
of the relay then a very high voltage is generated by the coil. It can
destroy the Microcontroller. This voltage has opposite polarity to the supply
voltage on the coil. The diode can be any cheap small diode nothing special
but it is important to have the diode.
The two push buttons need to be connected to the connector marked
in the schematic as "DIGITAL IN PUSH BUTTON". They connect PD3 or PD6 to
ground when pressed.
How to make the printed circuit board
To etch the printed circuit board you first need to print this postscript
file (linuxlcdpanel.ps.gz) onto transparent foil. In shops for
architects you can get some semi-transparent plastic foil called
Sinolit. Its produced by Regulus and is normally used for offset
printing. Another good alternative is 60g paper + transparent spray
(pausklar 21 from Kontakt Chemie). The advantage of paper and Sinolit is
that the toner from Laser printers really sticks to the paper/foil
and provides for good contrast.
I have converted the postscript file to PDF in case
you don't have a postscript printing system. The quality is however
rather poor.
The exposure time for copper clad photo boards depends on the light
source. For a normal home solaria it is between 1-2 Minutes. You
can also use daylight but try to avoid direct sun light (it's
too strong). You should experiment a bit with small stripes of
photo boards to get the best exposure time before you use the real
board.
![[before etching]](../../common/images/article236/pic01_beforeetching_th.jpg) |
| The exposed and developed board before etching |
The exposed board needs then to be developed for several minutes in
NaOH (Natriumhydroxid). After that you should carefully check the
result and make corrections with a Edding 780 black paint marker
(not the permanent markers for overheads, it is a marker with real
think paint). I usually make the pads a bit bigger because I find
that the pads from Eagle are too small for hobby use.
![[after etching]](../../common/images/article236/pic02_boardready_th.jpg) |
| The ready made board before drilling the holes |
Note: Somehow it seems impossible for the manufactures to agree on a
common pinout and naming conventions for relays. I used a small 5V relay
manufactured by Matsushita. Your relay might have a different pinout
therefore change the board as needed (with an etch resistant paint marker).
When you are satisfied you can etch the board in FeCl3 (Ferric Cloride).
FeCl3 has good etching rates at room temperature. It it very easy to use and
therefore good for use at home. You get the best results if the board is standing
upright in a high container. Copper ions are heavier than iron ions
and if you fill the FeCl3 into a small flat tub then the copper
ions will accumulate at the bottom where the board is.
When the board is ready wipe off the Edding paint marker ink with
turpentine. You can leave the photo resist "ink" on. It will
evaporate when you solder on it and protects the copper.
The software for the Microcontroller
The software for the Microcontroller is organized in the following
files:
- lcd.c, lcd.h,
lcd_hw.h: This is a generic avr LCD library. It is based on
the work of Peter Fleury (http://jump.to/fleury). This version is
a bit modified and more flexible. It allows you to connect the
LCD hardware to any of the pins on the Microcontroller. You just
need to change the definition in the file lcd_hw.h.
- avr-util.c,
avr-util.h: functions to get various delay times.
- uart.c, uart.h:
This is a library for the RS232 interface. It uses hardware
interrupts. Every time a character is received from the computer
the function SIGNAL(SIG_UART_RECV) will be executed and the data
is copied from the receive buffer to a string buffer. The command
language for our LCD panel is designed such that each command
ends with with newline character. When a new line is found then
then a flag (uart_rx_linecomplete) is set and the data is made
available. This also means that you must not send commands to
the display as fast as possible but wait a bit (a millisecond)
after each line. Each command will be acknowledged by a result,
ok, or err (for error). The driving perl program can therefore
use the result as a trigger for to send the next command.
- analog.c,
analog.h: Code for the analog to digital converter. It's
again interrupt driven. A single analog to digital conversion is
started and then the program waits for the SIG_ADC interrupt to
read out the result from the ADC register.
- hardwarewd.c,
hardwarewd.h: This is the watchdog. We use the internal
divider (divide by 1024) to pulse the timer. The timer is a 16
bit register when we get an overflow we count down a 8 bit
variable. With a 4MHz crystal we will count down our variable
approximately every 16 seconds. The perl program signals that the
computer that it is alive by periodically setting the variable back to a
high value. If it fails to do so (because the computer hangs) that
then the variable will decrease in its value all the time and
when it reaches zero the relay will go click-clack and do a
hardware reset of our server.
- linuxlcdpanel.c:
This is the main program. It will continuously check for commands
from the RS232 interface and button press events.
To understand the software in detail I recommend you to read the
datasheet for the Microcontroller. It's available from the references
section at the end of the article (or from www.atmel.com)
However to use this panel you don't need to understand the software
you
just need to unpack the source code archive (get the
linuxlcdpanel-0.7.tar.gz from the download page) and type:
make
make load
or you can even use the pre-compiled software and load it with the
command
make loadprebuild
Very easy. You find a description on how to program the Microcontroller
in the first article:
Programming
the AVR Microcontroller with GCC.
Testing the LCD panel
The LCD panel is designed to work from the 5V internal power supply
of your server (red cable=5V, black cable=ground). However you
should never connect it already the first time to the computer
power supply. You might have made a small mistake during the
soldering and assembly process. The computer power supply is very
strong and both your computer and the board can go off in a cloud
of smoke if you made a mistake. Test is first with an external
electronically stabilized and current limited power supply! Now you
download the software too the EEPROM as described above. After that
you should see a scrolling "linuxfocus.org" banner in the LCD
display. Now connect the RS232 interface:
MAX232 pin 14 to CTS (DB-9 pin 8)
MAX232 pin 7 to RXD (DB-9 pin 2)
MAX232 pin 13 to TXD (DB-9 pin 3)
You also need to connect DTR, DSR and CD which each other (DB-9
pin 4, 6 and 1)
This is documented in the circuit diagram above as well.
To use the serial line you need to initialize it. The
linuxlcdpanel-0.7.tar.gz source code archive contains a program
called ttydevinit which does exactly this initialization. Let's say
you have connected the panel to COM2 (ttyS1) then you need to run
once the command:
./ttydevinit /dev/ttyS1
Now the serial line driver is initialized to use 9600 Baud and you
can start to "talk" to your LCD panel. Open 2 xterm windows. In one
you type "cat /dev/ttyS1" and in the
other you type "cat > /dev/ttyS1". Now you can e.g type the
command l=11 (switch on LED 1) or l=10 (switch off LED 1). You can
see in the first xterm that our LCD panel acknowledges your
commands with "ok".
All available commands are explained in the README.commands file.
The source code archive contains a perl script called ttytest.pl
that does nothing but switch on and off the red led in intervals. It
is meant to be used as a simple example program that shows how to
drive the LCD panel. You can use it as a base for your own program.
Take a look at the source code. It requires some knowledge of perl
but it is a rather short program.
Connecting the watchdog
The watch dog is off by default. You switch it on with the command
w=1 and you set the timeout with s=x where x is a value between 1
and 255. E.g s=10 will let the watchdog timeout in 10*16sec=160sec.
The driver program needs set the timeout periodically to avoid that
the watchdog hits. If your server should ever lock up then the
driver program will no longer set the timeout and the watchdog
hits. I know that Linux servers almost never hang up. However if
they hang up and get stuck then there is usually nobody at site to
press the reset or nobody knows where the server is because there
where no problem with it for the last 2 years.
The watchdog is designed such that it will hit only once. This is
to avoid it hitting again during the file system check which will
probably follow after the reset. When the server comes up again the
driver program needs to re-enable it.
To physically connect the watchdog you need to find the two wires
that go the reset button of your server. In parallel to this reset
button you need to connect the relay from our watchdog.
How to use the watchdog
The watchdog guarantees that the system is always able to execute
programs. It does not guarantee that a webserver or a database
application is still running and responding. To check such things
you should use a crontab entry or other programs. You can be confident that the
crontab will be working because the watchdog ensures
that software in general is still executing.
For example you can design a script that is triggered by a cronjob and
downloads a webpage from your webserver every 15 minutes, but you have
to be careful with that: A webserver can get heavily loaded by
a lot of requests and then it is normal that it does not answer all
of them. Therefore you should count how often the webserver did not
answer. If it did not answer at all in the last 10 checks then
you can restart the webserver or trigger a normal reboot (not a hard reset
via watchdog).
Apart from the application you should also monitor the
disk usage. The following shell command will return something
if one of the disk partitions becomes more than 80% full:
df | egrep ' (8.%|9.%|100%) '
This can again be used in combination with a crontab entry
to regularly check the disk usage.
The scripts on the server
Almost all the logic of our LCD panel is implemented in a perl
script called llp.pl copy this file to /usr/sbin/. Next copy the
program ttydevinit to /usr/bin and the
file ifconfig_llp.txt (from the etc directory of the source code
archive) to /etc. Now edit the ifconfig_llp.txt and changed the
addresses as needed:
NETMASK=255.255.255.0
IPADDR=10.0.0.4
GATEWAY=10.0.0.2
Now make a backup of your original /etc/rc.d/init.d/network script
and copy the etc/network script from source code archive to
/etc/rc.d/init.d/network. This script and the directory names are
only valid for Redhat and Mandrake. The script
etc/network_all_distributions is more basic and will work with any
Linux distribution but you need to figure out where your Linux
distribution has its init-rc directories. It is slightly different
from distribution to distribution.
Edit the file /etc/rc.d/init.d/network and change the line
/usr/sbin/llp.pl /dev/ttyS1&
if you do not use COM2.
Now you can run
/etc/rc.d/init.d/network start
and see your LCD panel in action. Note: It is save to play around
and modify the IP address. The changes take only affect after the
next reboot. Therefore test it and then change it back before you
shutdown the server (you can also edit /etc/ifconfig_llp.txt to
undo your changes).
Log files
The llp.pl script writes a logfile to /var/log/llp.log. This log
will only grow very slowly. There should normally be no need to
rotate it automatically. You can rotate it with a program like
logrotate if you want. There is no post rotate action needed.
A config file line for logrotate could look like this:
/var/log/llp.log {
nocompress
monthly
}
The log will contain entries when the system was manually shutdown,
an IP address was changed (IP, GW, netmask) or when the hardware watchdog
triggered a reset. Naturally you can not log the watchdog timeout
when it happens (because the system hangs) but instead it will be logged
at the next startup.
The panel in operation
Here are some "screen shoots" of the LCD panel in operation. This
is not all of the functions offered by this panel. There are more
and you can add your own.
The main screen. Showing some name (linuxfocus in this case) and
uptime and load. This updates periodically.
The IP configuration menu
Example of an IP address that is currently being changed
How to change the gateway address (default route)
Conclusion
To build this LCD panel requires some electronic hobby skills but
it is not a very complex circuit. Our Linux LCD panel offers more
functionally than any other control panel that I have ever seen and
is very generic and cheap.
Happy soldering :-)
References
Talkback form for this article
Every article has its own talkback page. On this page you can submit a comment or look at comments from other readers:
2005-02-11, generated by lfparser version 2.52